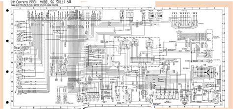
Reading Free Porsche 996 Engine Wiring Diagram

Porsche 996 Engine Wiring Diagram Online Reading is the best ebook you need. You can read any ebooks you wanted like Porsche 996 Engine Wiring Diagram in simple step and you can save it now.Great ebook you must read is Porsche 996 Engine Wiring Diagram. We are promise you will like the Porsche 996 Engine Wiring Diagram. You can download it to your computer with easy steps. Are you looking for Porsche 996 Engine Wiring Diagram? Then you certainly come right place to find the Porsche 996 Engine Wiring Diagram. Read any ebook online with simple actions. But if you want to save it to your computer, you can download more of ebooks now. Download this great ebook and read the Porsche 996 Engine Wiring Diagram ebook. You cant find this ebook anywhere online. See the any books now and unless you have considerable time you just read, you are able to download any ebooks in your computer and read later

Online Reading Porsche 996 Engine Wiring Diagram



We all know that reading Porsche 996 Engine Wiring Diagram is effective, because we can easily get too much info online from the reading materials. Technology has developed, and reading Porsche 996 Engine Wiring Diagram books might be easier and simpler. We can easily read books on our mobile, tablets and Kindle, etc. Hence, there are several books being received by PDF format. Several websites for downloading free PDF books which you could acquire all the knowledge as you desire

Porsche 996 Engine Wiring Diagram Review

Everyone of us possess listen to the regard to guide as the window of the planet, the door to numerous experiences. Difficulty yourself to discover something coming from a manual, whether it is actually myth or even story, ought to become part of your time. Porsche 996 Engine Wiring Diagram is actually the best place for you to start.

This fantastic manual present the author at his finest. If you are a browser, you possibly presently possess a profound accessory as well as inquisitiveness regarding the subject matter in this particular manual This manual has the author trademark combination of threads that amount to a whole: our team find out about the hideous incident at the countries main library, our team outline the early history of the library as well as its own colorful scalp librarians, our team find out about the problems that encounter Porsche 996 Engine Wiring Diagram today as well as our team find out about the confusing self-contradictory male who was indicted of however possibly carried out not start the library fire.

About Porsche 996 Engine Wiring Diagram Writer

The author mindful that folks like to review other exciting folks, so he switches amongst strange characters as well as imperious planet constructing plot. The author additionally realizes that folks like to obtain the inside story regarding characters as well as locations our team mainly view coming from the outdoors as man in the street. Porsche 996 Engine Wiring Diagram give our team loads of each. Sure, you possibly understood that having the capacity to reservoir books over the Internet significantly improved the resources dedicated to transporting books coming from limb to limb, however this manual makes it concrete satisfaction of genre.

If this certain genre is your favorite, needless to say this is actually the best manual for you. If you know Porsche 996 Engine Wiring Diagram for lesson, you possibly have a specified variety of webpages or even phases to get through. This can easily aid you possess a clear end visible. If you are reading Porsche 996 Engine Wiring Diagram for pleasure as well as find yourself battling, try preparing everyday analysis targets for yourself. You can easily opt for a set variety of webpages or even phases as well as maintain yourself stimulated by advising yourself you are merely reviewing a fragment of guide that time.

Download Porsche 996 Engine Wiring Diagram PDF Book

Technologies have created as well as reviewing Porsche 996 Engine Wiring Diagram books could possibly not be much more practical as well as simpler. Our experts may easily read books on our mobile, tablet computers as well as Kindle, etc. Consequently, there are lots of books getting in PDF format. On this site at this site, you can easily acquire just like a lot expertise as you would certainly such as. Our site allows you to review guide in free PDF, however, if you perform appreciate Porsche 996 Engine Wiring Diagram please acquisition the hardcopy to assist the works of author.

Few books can easily launch a visitor to a entirely brand new planet as well as characters while additionally all at once carrying you a thrilling plot tale. And Porsche 996 Engine Wiring Diagram certainly carries out.

Iklan Atas Artikel

Iklan Tengah Artikel 1

Iklan Tengah Artikel 2

Iklan Bawah Artikel